1. Disconnect the negative battery cable..
2. Remove the AFS OFF switch..
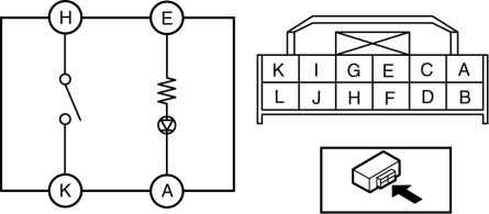
3. Verify that the continuity between the AFS OFF switch terminals is as indicated in the table.

If the continuity is not as indicated in the table, replace the AFS OFF switch.

4. Apply battery positive voltage to AFS OFF switch terminal E, and connect terminal A to ground.
5. Verify that the LED illuminates.
If there is any malfunction, replace the AFS OFF switch.
Afs (Adaptive Front Lighting System) Control Module Removal/Installation
Afs (Adaptive Front Lighting System) Off Switch Removal/InstallationOil Pressure Switch Removal/Installation [FS5 A EL]
WARNING:
A hot transaxle and ATF can cause severe burns. Turn off the engine and wait
until they are cool.
1. Perform the following procedures.
a. Remove the battery cover..
b. Disconnect the negative battery cable.
c. Remove the aerodynamic under cover NO.2..
2. Remove in t ...
Valve Clearance Inspection [Mzr 2.0, Mzr 2.5]
1. Remove the battery cover..
2. Disconnect the negative battery cable..
3. Remove the plug hole plate..
4. Disconnect the wiring harness.
5. Remove the ignition coils..
6. Remove the spark plugs..
7. Remove the ventilation hose.
8. Remove the oil level gauge.
9. Remove the cylinder ...
Clutch Release Cylinder Removal/Installation [C66 M R]
CAUTION:
Do not allow clutch fluid get on a painted surface. Clutch fluid contains
properties which can dissolve the paint. If clutch fluid gets on a painted surface,
wash it off with water immediately and wipe the area off completely.
1. Remove the aerodynamic under cover No.2.. ...