Mazda 3 manuals

Mazda 3 Service Manual: Battery Removal/Installation [Skyactiv G 2.0]

Mazda 3 Service Manual / Electrical / Battery / Battery Removal/Installation [Skyactiv G 2.0]

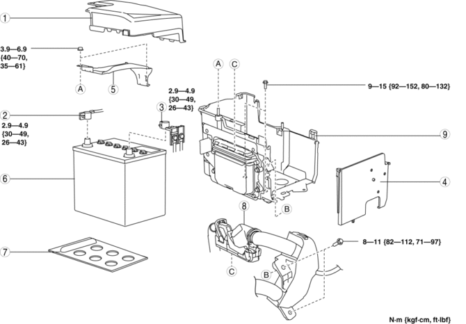
1. Remove in the order indicated in the table.

2. Install in the reverse order of removal.



1

Battery cover

(See Battery Cover Removal Note.)

(See Battery Cover Installation Note.)

2

Negative battery cable

3

Positive battery cable

4

Battery box

(See Battery Box Installation Note.)

5

Battery clamp

(See Battery Clamp Installation Note.)

6

Battery

(See Battery Installation Note.)

7

Battery stopper

(See Battery Stopper Installation Note.)

8

PCM connectors

.

9

Battery tray and PCM component

(See Battery Tray and PCM Component Removal Note.)


Battery Cover Removal Note

CAUTION:

1. Remove the battery cover using the following procedure.


a. Pull the clip (LH) in the outward direction approx.4 mm {0.2 in}

and disengage the battery cover tabs.

b. Pull the clip (RH) in the outward direction approx.4 mm {0.2 in}

and disengage the battery cover tabs.

c. Remove the battery cover.

Battery Tray and PCM Component Removal Note

1. Remove the air cleaner component..

2. Remove the battery tray and PCM component.

Battery Stopper Installation Note

1. Assemble the battery stopper so that the arrow on it is pointed toward the front of the vehicle.


Battery Installation Note

CAUTION:

Battery Clamp Installation Note

1. Assemble the battery clamp so that the arrow on it is pointed toward the front of the vehicle.


Battery Box Installation Note

1. Assemble with battery box hooks E aligned with the battery tray holes at two points.


Battery Cover Installation Note

1. Install with battery cover hook A aligned with the battery tray hole.


2. Set the battery cover to battery tray hooks B at two points.


Battery Removal/Installation [Mzr 2.3 Disi Turbo]
1. Remove in the order indicated in the table. 2. Install in the reverse order of removal. 1 Battery cover (See Battery Cover Removal Note.) (See Battery Cover In ...

Fuses & Junction Blocks
...

Other materials:

No.7 Bsm Indicator Light Does Not Flash While Under Bsm Indicator Light Flashing Conditions (With Combination Switch Operation (Turn Signal Switch)) [Blind Spot Monitoring (Bsm)]
7 BSM indicator light does not flash while under BSM indicator light-flashing conditions (with combination switch operation (turn signal switch)) Description The BSM indicator light does not flash or illuminate continuously, ...

Rear Tilt Motor Inspection
1. Remove the battery cover.. 2. Disconnect the negative battery cable and wait 1 min or more.. 3. Disconnect the rear tilt motor connector. 4. Apply battery positive voltage to the rear tilt motor terminals and inspect the rear tilt motor operation If not as specified, replace t ...

Sae Standards
In accordance with new regulations, SAE (Society of Automotive Engineers) standard names and abbreviations are now used in this manual. The table below lists the names and abbreviations that have been used in Mazda manuals up to now and their SAE equivalents. ...

© 2016-2026 Copyright www.mazda3tech.com